KS2300X是用于軟件無線電(SDR)方案中的基帶處理芯片。KS2300X集成了高效能的應用處理器,以及兩個通信基帶處理子系統。每個通信基帶子系統集成了一個協議處理器、一個通用DSP和一個高性能矢量DSP。芯片中也集成了通信處理常用的ASIC加速器。在這些加速器的輔助下,客戶可以實現高吞吐率的自定義無線通信。KS2300X采用的一些特殊的低功耗設計,這些設計有助于在各種通信場景下獲取高性能和低功耗特性。
應用范圍
SDR通信模塊,點對點通信,自組網通信,物聯網通信小站基帶處理。
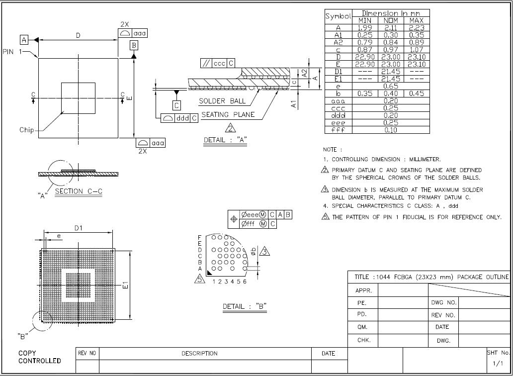
封裝信息

國產自主可控的軟件無線電基帶處理芯片,芯片的研發、生成、封裝和測試都在國內
高性能、低功耗雙模并發基帶處理,每個模式都能支持最高速率到100Mbps
基帶處理器中的運算資源靈活可配,可以根據波形基帶處理的復雜度,采用一套或者兩套運算資源完成波形處理
支持多套射頻接口,可以實現2套2x2 MIMO,或者1套4x4 MIMO
提供多種信道編解碼硬件加速,支持RS、卷積、Turbo、LDPC、Polar的編解碼加速
通信鏈路架構支持信道迭代均衡算法實現
集成高精度守時算法
| KS2300X | |
| 芯片通用特性 | 集成E-Fuse 集成SHA/AES加速器 集成芯片溫度監測模塊 集成東土守時方案 支持芯片唯一編號(UID) 支持安全啟動 數字內核電壓范圍:0.8~1.0V 數字I/O 1.8V,3.0V (SDIO, SIM, 鍵盤接口) 模擬電壓0.9/1.8/3.3V 深度睡眠功耗: < 4mW 工作功耗:200mW ~ 4W ESD, 2KV HBM T存儲: -55℃~ 150℃ T環境: -40℃~ 85℃ T結溫: -40℃~ 125℃ 28nm 工藝 FLBGA, 23mm x 23mm, 0.65-pitch 符合環保要求, 符合ROHS規范 |
| 應用處理器 | ARM CortexTM A7雙核,主頻最高到1.1GHz 32KB L1 I-Cache ,32KB L1 D-Cache 256KB L2 Cache 支持NEON,支持SIMDv2/VFPv4指令集 |
| 基帶處理子系統 | 支持兩個基帶處理子系統,支持兩個波形通信同時處理 每個基帶處理子系統包括: ? 一個協議處理器 ? 一個 CEVA X1643 DSP ? 一個 CEVA XC4500 DSP ? 一個ASIC 通信加速器集(HAC) 每個協議處理器: ? ARM CortexTM A7,主頻最高到1.1GHz ? 32KB L1 I-Cache ,32KB L1 D-Cache ? 256KB L2 Cache ? 支持NEON,支持SIMDv2/VFPv4指令集 每個X1643 DSP: ? VLIW 指令架構 ? 頻率范圍24~614.4MHz ? 峰值處理能力達到 2.46GMAC/s 每個 XC4500 DSP: ? VLIW 指令架構 ? 頻率范圍24~614.4MHz ? 支持浮點協處理,兼容IEEE 754 單精度規范 ? 峰值處理能力達到 41.8GMAC/s 4M byte片上共享SRAM ASIC硬件加速器包括: ? 通用數字前端處理單元 ? 發送鏈路級聯上采樣濾波器,上采樣率1 ~ 32倍 ? 接收鏈路級聯下采樣濾波器,下采樣率1 ~ 64倍 ? 可編程發送信道成形濾波器 ? 可編程接收信道匹配濾波器 ? 支持發送通道NCO/Cordic ? 支持接收通道NCO/Cordic ? 高性能FFT/IFFT 處理器 ? LTE-A HARQ 處理器 ? MIMO 檢測 ? LTE-A Turbo編解碼器 ? LTE-A Viterbi 編解碼器 ? 5G Polar編解碼器 ? 5G LDPC編解碼器 ? RS編解碼器 ? 符合3Gpp標準的加解密模塊 |
| 射頻接口 | 支持兩套射頻接口 每套射頻接口: ? 兼容 JESD 207 ? 支持AD9361 LVDS 模式 ? 支持CX9261 ? 支持digital RF V1.12 ? 支持RX6001B ? 支持SPI interface ? 支持MIPI RFFE 接口 ? 支持32 射頻控制IO |
| 外部存儲接口 | 支持Nand flash接口 支持SPI nor 接口 支持eMMC 4.5 接口 支持DDR3(L)/LP DDR3 接口: ? 時鐘最高到 933MHz ? 32-bit 位寬 ? 支持2 片選 ? 最大容量支持4G byte |
| 通用外設接口 | 支持1 GMAC 支持3 USB 3.0, DRD 支持3 SDIO3.0 host, 1 SDIO 3.0 slave 支持12 UART接口 支持6 SPI接口 支持3 I2C接口 支持2 ISO7816 ports 支持2 I2S/PCM ports接口 支持JTAG for ARM 和DSP 支持4 對PWM 支持6 通道事件采集 支持 5x5鍵盤接口 支持12-bit 8 通道AuxADC 支持2 個12-bit DAC |
北京物芯科技有限責任公司
電話:010-58295114
傳真:010-58295620
地址:北京市朝陽區安定門外大街1號1307室
郵編:100013
郵箱:wuxin.sales@kyland.com